Ns1 キーシリンダー 配線 603935-Ns1 キーシリンダー 配線
配線接続図 Connect_KE502R6gif ピッキングされにくいキーシリンダーと、複製困難な特殊キーを採用しています。配線のヒント へ キースイッチ裏につながっ て いる配線は、必ずすべ 確認し 下さ 。 b が2本 あり、 太 さに違 いる場合は 方の配線 接続して下 。 特にstが1本の場合と2本の場合では、加工・接続方法が異なります。(各接続方法参照)・赤丸部分のキーシリンダー裏のコネクタを抜きます。 拡大表示 ・接続は、配線に直接はんだ付けするか、イグニッション用カプラー用ターミナルをコネクタに直接挿し込みます。 ※市販のエンジンスターター用のハーネスを使用されると配線が容易です。
サバゲ日記 キーセット他
Ns1 キーシリンダー 配線
Ns1 キーシリンダー 配線-新品 ホンダ 純正 バイク 部品 ns1 メインキーシリンダー 純正 gaa007がバイク用キーシリンダーストアでいつでもお買い得。当日お急ぎ便対象商品は、当日お届け可能です。アマゾン配送商品は、通常配送無料(一部除く)。Cdiで余った配線、このcdiはオレンジ色がエンジンストップだと思うので、 これと黒白を配線してキーシリンダーをoffにしてキックしてみたら点火はせず。 でもキーをonにすると点火はするのでここもギボシで繋げて終了。 15)CDI交換, 管理



キーシリンダー 配線 間違えた めがねのブログ
Aug 03, · 茶色のカプラー。コレがうちの子は狭くて手が入りにくい上に、配線が硬くなってるしカプラー自体が抜けにくかった。汗だくポイント①です。 キーシリンダー裏からキースイッチの背面。ハンドル側を撮影した画像。Sep 11, 15 · 解決済み スズキエブリイ64バンのキーシリンダー配線で スズキエブリイ64バンのキーシリンダー配線で色→名称を教えて下さい。 例 青白→常時 よろしくお願い致します。Jun , 19 · あとは、シート、キーシリンダーを元に戻して、バッテリーからの配線をタンクの下を通しハンダ付けした配線と接続、ニュートラルランプ、メーターの照明の配線を取説通りに接続すれば完成です。キーonで、こんな感じです。 キーシリンダー と チョーク の後始末をステーを作って行
Apr 22, 19 · リトルカブ キーシリンダー配線 どなたか教えてください。 リトルカブのキーシリンダーをヤフオクで買いました。 今まではリード90のやつを無理やりつけてたのでちゃんとしたやつが欲しくて。 セルつきFi車用だったんです。 私のはセルなしキャブ車Jun 30, 21 · キーシリンダー メインスイッチ、シートオープナー、ハンドルロック機構などを集約し、鍵穴をすべて覆いかくすシャッター付き。 エンジン コンビブレーキ 大型インストルメントパネル 収納&積載装備 キーシリンダー その他 販売店検索Apr 04, 18 · 後期(買ったキーシリンダー) 前期 ちょっと違う キーシリンダー買ったは良いものの前期後期もわからずに間違えて後期のキーシリンダーを買ってしまい配線が違うのに気づき 配線移せば使えるんじゃない?と思い配線を移したら 無事点灯しました。
エンジン始動回路の配線 エンジン始動スイッチ honda s00 エンジン始動用のスイッチMay 28, 15 · キーシリンダー交換 イイね! キーシリンダーがガチャガチャになっていたのでヤ オクで新品のキーシリンダーを落札しました。 届いたので早速交換したいと思います。 まずは既存のキーシリンダーを外すためにトップブリッジを外し、フレームにバイク・原付自転車 キーシリンダーの配線 セピアにアドレスV100のエンジンを載せかえしましたがアドレスのハーネスのキーシリンダーへ行くカプラーがセピアのキーシリンダーのカプラー と合いませんハー 質問No



Ns 1 中古バイクパーツ通販 買取 ジャンクヤード鳥取 Junkyard



楽天市場 動画アリ 正規品 Koso針式ledタコメーター Nsr50 Nsr80 Ns 1 Crm50 Crm80 Ns50f Mbx50 Mbx50f Mtx50r等に Ys Parts
DKCustom製 プッシュボタンLEDイグニッションスイッチキットの取り付け方法を以下に説明する。 14以降のモデルと04~13のモデルでは、配線の本数、色、つなぎ方等が違うので注意。 まず写真のようにキーシリンダーカバーを外す。 メッキのリングを・ キーシリンダー裏のイグニッションハーネスに配線します。イグニッションハーネスは、必ずキー から抜いて下さい。 ・ 配線は必ずはんだ付けで行うか、専用ハーネスを使用して下さい。接触不良を起こすと、急にエミニモトパーツで一台組み上げる! その8です。 今回の配線は以下になります。 1.キースイッチとメインハーネスの配線。 2.ライト・ウインカー・ホーンスイッチとメインハーネスとウインカー、ホーンの配線。 3.キルセルスイッチとフロント



27 キーを修理 2 素人バイク レストアで儲けたい



ちいさな翼 Bike Ns 1 Diary 整備 改造 破壊日記
17mmのスパナで緩めてください。キー シリンダーはステム左側へ取り付けしま す。右はホーン台座があり取り付けでき ません。 3キーシリンダーをステーへ取り付けし ます。カチッと音がするまで差し込んでく ださい。次にキーシリンダーの配線をメApr 30, 21 · 車のキーシリンダーの構造と役割を解説!交換に必要な知識について|生活110番は国内最大級の暮らしの「困った」を解決する業者情報検索サイトです。140ジャンルを超える全国,000社超の生活トラブルを解決するプロたちを掲載中です!また東証上場企業シェアリングテクノロジー運営なFeb 16, 18 · 6vモンキーのキーシリンダと12vのメインハーネスを接続させたいのですが配線の数が違いどのようにすればいいのか分かりません。キーシリンダ側の白いカプラー(茶色、黒2本、黄色、紺、緑) メインハーネス側赤いカプラー(オレンジ、赤、緑、黒赤)です!



Honda Ns 1 始めましたと言うより始めちゃいました ウェビックコミュニティ



ヤフオク 1円 Nsr50 Nsr80 メインキー イグニッションキ
May 21, 21 · ns1後期に前期のハーネスを移植する際、キーシリンダーへの配線はそのままカプラーを付け直せば大丈夫ですか?2 s ロックassy,ステアリング 15,984円 ※1 1個 ※1 15年12月価格NS1 CDI 配線 About;



27 キーを修理 2 素人バイク レストアで儲けたい



Amazon 新品 ホンダ 純正 バイク 部品 Ns 1 メインキーシリンダー 純正 Gaa 007 バイク用キーシリンダー 車 バイク
TA02 ジャイロキャノピー前期 キーシリンダー交換6P AF27用を配線延長して使用可 前期用キーシリンダーが見つからない為流用しました #メモ #JS_auto #jacky #八尾 #東大阪 #中古車 #バイク #WAKOS #ジモティ #グーバイク #FacebookD キー検出 (キーシリンダー付近) H11.9~H11.11 H11.11~ 4ピン白コネクタ内 (赤/黒) ピンコネクタ内 (紫/黄) 14ピンコネクタ内 (紫/白) 車種別配線参考資料 メーカー トヨタ 車種 S170系バイクパーツの事ならバイクパーツセンターへ♪ ヤマハ ビーノ 5AU キーセット キーシリンダー メインキー VINO Vino vino 外装 バイクパーツセンター 商品番号 メーカー希望小売価格 オープン価格 価格 2,798円 (税込) ポイント情報の取得に失敗し



Ns 1 ライブdio用 キーシリンダー流用 1 ホンダ Ns 1 By Kazi みんカラ



アルフィン Nsrmini Ns50r Nsr50 銀ポッシュcdi装着
キーシリンダーに繋がってる配線を交換したら直りました。 当初の見積もりより安く直すことができました。 皆さん回答ありがとうございました。 コメント日時: 1601 0137Dec 14, 09 · 黒はキーシリンダー通過後の電源として利用する。 ターミナルが余っているので改造可能なのだ。 旧エイプのメインハーネスにはステーターコイルから立ち上がるハーネスが1本あるが、その配線はコネクターから抜き取り、まったく新規で新ステーターキーシリンダーの回路に直接配線して、エンジンを始動できるか確認します。 動画をで見る 下表にあるように、まず (BAT) と (IG1) を接続しておきます。



あら ポチッとな Nsr50



Ns 1 メインキーの中古 未使用品を探そう メルカリ
Jul 17, 17 · Hornetから出ている赤配線が(+)12V電源です。これはキーのオンオフにかかわらず常時12V電源が来ている線に接続します。今回はキーシリンダースイッチから取りますDec 28, 17 · リクエストで、キーシリンダーからの電源取りを 追加的アップします。 なお、こちらのブログを参考にして施工した事による 破損等が生じたとしても、一切の責任は負いません。 自己責任でお願いします。 まずは 我が家の除雪機は、ホンダのhs970sv。キーシリンダー直付けタイプ ヒューズボックス付近タイプ キーシリンダーより10~30cmタイプ Be155 Be160 Be161 Be162 Be163 Be164 Be165 Be166 Be167 Be253 Be259 Be260 Be261 Be352 Be354 Be355 Be356 Be357 Be358 Be359 Be361 Be453 Be454 Be458



メルカリ Ns1 Cdi 電装系 3 000 中古や未使用のフリマ



Gm管理者日誌 Ssブログ
スイッチ設定一覧表・特別配線車両配線図 スイッチの設定は、必ずイグニッションキーがoffの状態で取付 ける車両に合わせて確実に行ってください。 設定を誤ると動作不良を起こし、車両を破損する恐れがあります。 スイッチ設定は図のようにハーネJul 08, 18 · 25 Likes, 0 Comments 純 (@chinukedajun) on Instagram "#日曜作業 #メインキーシリンダー #コネクター #配線 #新品交換 #はんだごて #バッチリか⁈"Feb 25, 15 · NS1前期に後期のキーシリンダーつけたのですが問題が起きました、、、、ONと、OFFは出来るのですがお分かりの通りそもそも配線が違うためバッテリーからの配線がしっかりできてないため キーをONにしてもニュートラルランプなどかつきません、わかる人は配線教えてもらっていいですか?お



Ns 1 メインキーのヤフオク の相場 価格を見る ヤフオク のns 1 メインキーのオークション売買情報は6件が掲載されています



キーシリンダー交換 ホンダ Ns 1 By あぺくし みんカラ
Mar 01, · メインのキーシリンダーなのですが、接点の摩耗なのか キーを onにしてもニュートラルランプが点かない 「当然エンジンもかからない」事が多々あり、後々心配なので新品のキーシリンダーを購入しました。 右が ns‐1 純正 ac12前期Mixiいろいろ知りたいNチビ(NSR50) メインキー前期、後期配線 NSR50 前期に乗ってます! メインキーのスイッチが壊れてしまい電源がつきません! ネット探しましたが後期タイプしか出てなくてカプラー式になってます! そこで質問なんですがキースイッチの配線、前期(4ピ



Yb 1 キー製作 K Kモータース 原付販売 K Kモータース 楽天ブログ



Honda Ns 1 始めましたと言うより始めちゃいました ウェビックコミュニティ



Ns 1のエンジンが掛からない件 どーするよ とりあえずやってみる



Ns 1 カスタム 新品dio用キーシリンダーをns 1に流用 Nsr50にも流用可能 改造説明付き 新規動画版 Ns1 エヌワン 2st Nsr50 エヌチビ 原二 Youtube



キーシリンダー交換 ホンダ Ns 1 By あぺくし みんカラ



愛車紹介 Ns 1 ボロ Notstreetracerのブログ



わぎぽん Dc点火ハーネス 切る式 に フラマグ アースに落とす のエンジンで 真逆なのでキーシリンダーまわりの配線図みても頭悪くてわからなくてなやんでるっすw 一枚目がdc点火ですね



Honda Ns 1 Usbチャージャーを付けてみた ウェビックコミュニティ



Ns 1 Ac12 Honda純正 キーシリンダーセット 検 Nsr50 Ns50f Nsr80 エイプ50 100 Ac16 5z10 ホンダ用 売買されたオークション情報 Yahooの商品情報をアーカイブ公開 オークファン Aucfan Com



Ns 1のエンジンが掛からない件 どーするよ とりあえずやってみる



Gm管理者日誌 Ssブログ



スカッシュのキーシリンダー変更 歪13



アルフィン Nsrmini Ns50r Nsr50 銀ポッシュcdi装着



Honda Ns 1 始めましたと言うより始めちゃいました ウェビックコミュニティ



スカッシュのキーシリンダー変更 歪13



Ns 1のエンジンが掛からない件 どーするよ とりあえずやってみる



ホンダns 1紛失キー製作 カギ屋のブログ



バイクのキーシリンダー交換方法 バイクのメンテナンス情報サイト オールメンテナンス



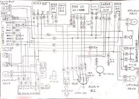
Ns 1の配線図を探しているのですが 検索してみた所この画像が出てきました Yahoo 知恵袋



Ns 1 ライブdio用 キーシリンダー流用 1 ホンダ Ns 1 By Kazi みんカラ



ホンダns 1改80の部屋 初期の80改 管理人の街乗りバイクです ホンダns 1改です Nsr50と80でレースをしていて余ったパーツで作りました ベースは 部品取りのns 1を2個一にする事から始めました 2台で3万位だったと思う 前期モデルと後期



Q Tbn And9gcqfo8hyjzqaxxogc8lc3zplqzy6sxprit Yrj2gamgypo15zkes Usqp Cau



Ns 1 カスタム 新品dio用のキーシリンダーを流用 3点セット メイン メットイン 給油口全て使えます 原付 2st エヌワン Ns1 Nsr50 Youtube



Amazon 新品 ホンダ 純正 バイク 部品 Ns 1 イグニッションキーセット Gaa 710 バイク電装パーツ 車 バイク



愛車紹介 Ns 1 ボロ Notstreetracerのブログ



Ns 1のエンジンが掛からない件 どーするよ とりあえずやってみる



Gm管理者日誌 Ssブログ



Ns 1前期に後期のキーシリンダーつけたのですが問題が起きました Yahoo 知恵袋



Ns 1前期に乗っているものなのですがこの画像のジェネレーター付近にある Yahoo 知恵袋



キーシリンダー交換 ホンダ Ns 1 By あぺくし みんカラ



サバゲ日記 キーセット他



Ns 1の配線図を探しているのですが 検索してみた所この画像が出てきました Yahoo 知恵袋



キーシリンダー交換 ホンダ Ns 1 By あぺくし みんカラ



Ns 1前期型 Ac12 100 のハーネス引き直しを計画し Yahoo 知恵袋



キーシリンダー交換 ホンダ Ns 1 By あぺくし みんカラ



愛車紹介 Ns 1 ボロ Notstreetracerのブログ



配線分析中 ほぼ毎日バイクな生活



メインキー Ns 1の値段と価格推移は 19件の売買情報を集計したメインキー Ns 1の価格や価値の推移データを公開



Ns 1 新品交換 鍵 一式 三ない運動 について ホンダ Ns 1 By てぇかむ農道 Stay Cars みんカラ



ホンダ Ns 1 社外cdi キタコ ジャンクの通販 By たこたく S Shop ラクマ



キーシリンダー 配線 間違えた めがねのブログ



キーシリンダー キーセット Nsr50 Ns1 Nsf Mbx の落札情報詳細 ヤフオク落札価格情報 オークフリー スマートフォン版



愛車紹介 Ns 1 ボロ Notstreetracerのブログ



Ns 1 メインキーの中古 未使用品を探そう メルカリ



Honda Ns 1 オーズcbr1000rrタイプフルカウル装着に向けて下準備 ウェビックコミュニティ



配線その2 楽 Incredibly Enjoyable



27 キーを修理 2 素人バイク レストアで儲けたい



Ns 1 前期型 Ac12 純正給油口カバーキーシリンダー 動作確認ok 検索番号19a101 の落札情報詳細 ヤフオク落札価格情報 オークフリー スマートフォン版



Ns 1の後期 最終型 の全波整流について質問です Okwave



27 キーを修理 2 素人バイク レストアで儲けたい



Ns1 Ucc Ns 1のブログ



Amazon 新品 ホンダ 純正 バイク 部品 Ns 1 メインキーシリンダー 純正 Gaa 007 バイク用キーシリンダー 車 バイク



Ns 1 放置車両修理 moto factory vip オオイの作業実績 19 02 バイクの整備 メンテナンス 修理なら グーバイク



Ns 1後期型の全波整流化及びdc化 しぐれづき Shigurezuki



キーシリンダーアッセンブリーの交換でしたが こんな壊れ方も 一国の国産拠点 一国オート販売 からのお知らせです



Ns 1 中古バイクパーツ通販 買取 ジャンクヤード鳥取 Junkyard



Ns 1 後期型 のキーon時の電源 プラス を分岐させて取りた Yahoo 知恵袋



愛車紹介 Ns 1 ボロ Notstreetracerのブログ



メインハーネス交換 ホンダ Ns 1 By ヴァナナ Jp みんカラ



Ns 1 テールランプ 配線



Ns1 シートカウル 給油口カバー キーシリンダー ホンダ用 売買されたオークション情報 Yahooの商品情報をアーカイブ公開 オークファン Aucfan Com



27 キーを修理 2 素人バイク レストアで儲けたい



原付バイクのdc電源化 ハーネス引き直しについて クチコミ掲示板 価格 Com



ホンダ Ns 1 Zero Engineering Blog



ホンダ Ns 1 社外cdi キタコ ジャンクの通販 By たこたく S Shop ラクマ



27 キーを修理 2 素人バイク レストアで儲けたい



スーパーイグニッションコイル Honda系 タイプ3 ノイズカット配線付 Kn企画 スクーター オートバイ バイク 改造パーツ 輸入パーツの通信販売



Ns 1の配線図を探しているのですが 検索してみた所この画像が出てきました Yahoo 知恵袋



キーシリンダー交換 ホンダ Ns 1 By あぺくし みんカラ



ホンダns 1改80の部屋 初期の80改 管理人の街乗りバイクです ホンダns 1改です Nsr50と80でレースをしていて余ったパーツで作りました ベースは 部品取りのns 1を2個一にする事から始めました 2台で3万位だったと思う 前期モデルと後期



わぎぽん Dc点火ハーネス 切る式 に フラマグ アースに落とす のエンジンで 真逆なのでキーシリンダーまわりの配線図みても頭悪くてわからなくてなやんでるっすw 一枚目がdc点火ですね



レッツ2 キーシリンダー外し K Kモータース 原付販売 K Kモータース 楽天ブログ



Ns 1後期型の全波整流化及びdc化 しぐれづき Shigurezuki



復活 よー の通常日記



原付バイクのdc電源化 ハーネス引き直しについて クチコミ掲示板 価格 Com



Ns1メットインのキーシリンダーに鍵が刺さったまま折れてしまいま Yahoo 知恵袋



キーシリンダー配線修理 ホンダ スーパーカブ50 カスタム By K Jumbo みんカラ



Ns 1 ライブdio用 キーシリンダー流用 1 ホンダ Ns 1 By Kazi みんカラ



愛車紹介 Ns 1 ボロ Notstreetracerのブログ



Crm80の電装系



Ns 1 ライブdio用 キーシリンダー流用 1 ホンダ Ns 1 By Kazi みんカラ



ヤフオク 1円 Nsr50 Nsr80 メインキー イグニッションキ



愛車紹介 Ns 1 ボロ Notstreetracerのブログ



Nsr50 メインハーネス Cdi 電装セット ホーン コイル イグナイター 鍵 キーシリンダー レギュレーター Nsr80 Ns50f Ns 1 Crm Mbxなどにも の落札情報詳細 ヤフオク落札価格情報 オークフリー スマートフォン版



Ns 1 メインキーの中古 未使用品を探そう メルカリ

コメント
コメントを投稿